悟空体育全站客户端
联系我们
咨询热线:0533-5439996
电话:0533-5439996
传真:0533-5439995
手机: 13589487888
地址:山东省淄博市淄川经济开发区七星路1号
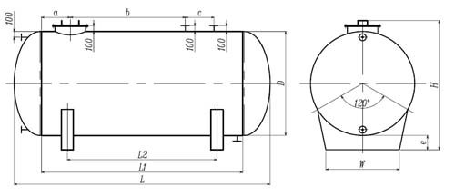
悟空体育苹果 -卧式钢衬塑储罐
产品分类: 钢衬塑储罐
1、产品特点a. 整体滚衬PE层一次成型,无接缝,PE层与钢体结合牢固,不脱层,耐腐蚀、寿命长。骤冷骤热衬 层不受影响,是搪瓷、不锈钢、钛容器、铝容器、有机玻璃、塑焊板的理想换代品。b.PE材料无毒无
订购热线:0533-5439996
1、产品特点
a. 整体滚衬PE层一次成型,无接缝,PE层与钢体结合牢固,不脱层,耐腐蚀、寿命长。骤冷骤热衬 层不受影响,是搪瓷、不锈钢、钛容器、铝容器、有机玻璃、塑焊板的理想换代品。
b.PE材料无毒无味,符合国家卫生食品级标准。本设备可应用于化工、医药、印染、电镀、食品、 水处理等行业物料的储存。
2、应用范围
a. 介质:纯水、液态食品、酸、碱、盐及部分有机溶剂 [ 能耐任何浓度的盐酸、磷酸、氢氟酸等 ]
b. 耐温:-65℃~98℃
c. 耐压:正、负压(包括真空),根据钢体设计压力而定。
3、产品规格
注:尺寸按客户要求定做。


悟空体育客户端下载 是集防腐设备开发、研制、生产于一体的科技型工贸企业,主要产品:悟空体育苹果 、塑料储罐、PE储罐、钢衬塑储罐、悟空体育平台 、钢衬塑反应釜等防腐设备,产品畅销全国,深受用户好评。了解新产品报价可以联系我们网站//m.p2pv2.com/ 上电话,我们会第一时间跟您联系。
下一篇: HCL吸收罐









